产品中心
更多产品
发布人:
Ray
公 司:
武汉市中科亿迪科技有限公司
电 话:
13922835656
¥
15 - 17
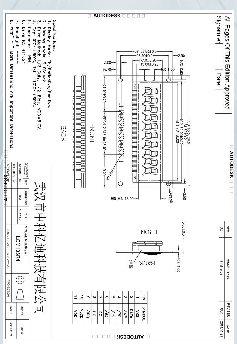
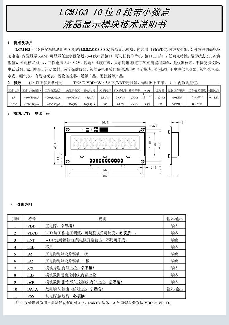
103R4段码液晶屏10段8位带小数点多功能通用型无背光HT1621驱动
武汉市中科亿迪科技有限公司
工厂店铺
产品详情
更多产品
图形点阵LCM14432ZWA液晶屏144*32蓝屏黄绿屏灰屏LCM模组中文字库
COG240128-17液晶显示屏模块240128点阵屏供应高清模组UC1698UGAC
1.44寸TFT液晶屏128*128分辨率H23高清彩色显示屏GC9106驱动现货
103R4段码液晶屏10段8位带小数点多功能通用型无背光HT1621驱动
字符点阵LCM2004E液晶屏模块 20*4LCD液晶屏 大字符JUMBO工厂供应
图形点阵LCM12232F液晶屏模块122*32点阵黄绿屏蓝屏灰屏内置字库
1.6寸TFT液晶屏圆屏400*400分辨率QSPI高清彩色显示屏ST77903驱动
字符点阵LCM1601A液晶模块16个字符*1行点阵屏工厂供应
液晶屏COG12864C-05B液晶显示屏模块ST7567A驱动128X64点阵屏蓝屏
图形点阵LCM19264A液晶屏模块192*64 蓝屏黄绿屏灰屏汉字图形显示
发布求购信息
免费
上传最新杂志
温馨提示
请使用
微信扫一扫
二维码
扫码
直达3721通讯录
3721通讯录二维码